
Air cooling, water cooling from design to production with thermal simulation service
| NO. | Width(mm) | Height(mm) | Weight(kg/m) | Preview | Notes |
| WD-06181 | 109.300 | 47.800 | 4.520 | ![]() |
|
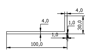
| WD-06182 | 100.000 | 30.000 | 1.370 | ![]() |
|
| WD-06183 | 100.000 | 25.000 | 1.929 | ![]() |
|
| WD-06184 | 100.000 | 33.000 | 2.354 | ![]() |
|
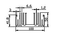
| WD-06185 | 100.000 | 50.000 | 3.332 | ![]() |
|
| WD-06186 | 90.000 | 57.800 | 6.595 | ![]() |
