
Air cooling, water cooling from design to production with thermal simulation service
| NO. | Width(mm) | Height(mm) | Weight(kg/m) | Preview | Notes |
| WD-06265 | 80.390 | 42.720 | 2.050 | ![]() |
|
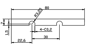
| WD-06266 | 80.000 | 7.000 | 1.380 | ![]() |
|
| WD-06267 | 82.500 | 55.200 | 4.110 | ![]() |
|
| WD-06268 | 89.800 | 41.100 | 2.900 | ![]() |
|
| WD-06269 | 80.000 | 6.000 | 0.710 | ![]() |
|
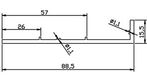
| WD-06270 | 88.500 | 15.500 | 0.710 | ![]() |
