
Air cooling, water cooling from design to production with thermal simulation service
| NO. | Width(mm) | Height(mm) | Weight(kg/m) | Preview | Notes |
| WD-06301 | 76.000 | 32.500 | 1.970 | ![]() |
|
| WD-06302 | 71.500 | 45.000 | 3.285 | ![]() |
|
| WD-06303 | 79.800 | 48.000 | 1.980 | ![]() |
|
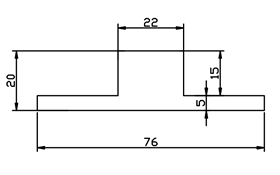
| WD-06304 | 76.000 | 20.000 | 1.920 | ![]() |
|
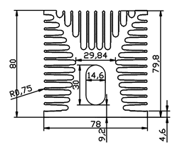
| WD-06305 | 78.000 | 80.000 | 8.180 | ![]() |
|
| WD-06306 | 71.500 | 49.000 | 3.486 | ![]() |
