
Air cooling, water cooling from design to production with thermal simulation service
| NO. | Width(mm) | Height(mm) | Weight(kg/m) | Preview | Notes |
| WD-06307 | 75.000 | 50.000 | 2.620 | ![]() |
|
| WD-06308 | 72.200 | 40.600 | 3.460 | ![]() |
|
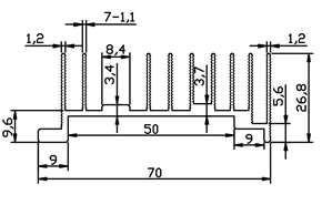
| WD-06309 | 70.000 | 26.800 | 0.950 | ![]() |
|
| WD-06310 | 70.420 | 51.260 | 1.500 | ![]() |
|
| WD-06311 | 74.600 | 79.000 | 3.610 | ![]() |
|
| WD-06312 | 75.800 | 70.200 | 4.600 | ![]() |
