
Air cooling, water cooling from design to production with thermal simulation service
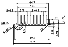
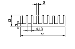
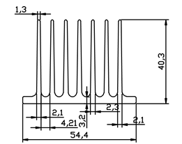
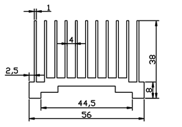
| NO. | Width(mm) | Height(mm) | Weight(kg/m) | Preview | Notes |
| WD-06403 | 54.400 | 40.300 | 1.760 | ![]() |
|
| WD-06404 | 51.700 | 16.810 | 0.580 | ![]() |
|
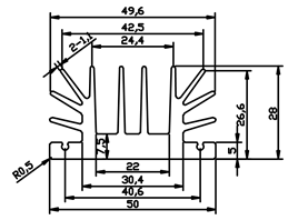
| WD-06405 | 50.000 | 28.000 | 1.620 | ![]() |
|
| WD-06406 | 55.000 | 11.500 | 1.490 | ![]() |
|
| WD-06407 | 56.000 | 38.000 | 1.690 | ![]() |
|
| WD-06408 | 51.000 | 13.000 | 0.890 | ![]() |
