
Air cooling, water cooling from design to production with thermal simulation service
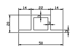
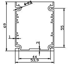
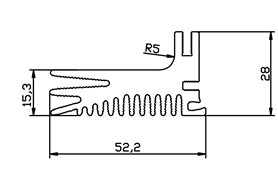
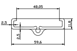
| NO. | Width(mm) | Height(mm) | Weight(kg/m) | Preview | Notes |
| WD-06409 | 53.900 | 69.000 | 1.145 | ![]() |
|
| WD-06410 | 59.600 | 11.800 | 0.700 | ![]() |
|
| WD-06411 | 51.100 | 1.800 | 0.249 | ![]() |
|
| WD-06412 | 52.200 | 28.000 | 1.660 | ![]() |
|
| WD-06413 | 50.900 | 12.100 | 0.930 | ![]() |
|
| WD-06414 | 50.000 | 20.000 | 0.813 | ![]() |
