
Air cooling, water cooling from design to production with thermal simulation service
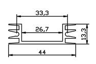
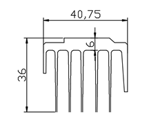
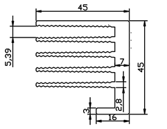
| NO. | Width(mm) | Height(mm) | Weight(kg/m) | Preview | Notes |
| WD-06439 | 45.000 | 0.000 | 2.730 | ![]() |
|
| WD-06440 | 42.010 | 11.900 | 0.440 | ![]() |
|
| WD-06441 | 44.000 | 13.300 | 0.416 | ![]() |
|
| WD-06442 | 43.000 | 11.700 | 0.418 | ![]() |
|
| WD-06443 | 40.750 | 36.000 | 1.147 | ![]() |
|
| WD-06444 | 45.000 | 45.000 | 1.980 | ![]() |
