
Air cooling, water cooling from design to production with thermal simulation service
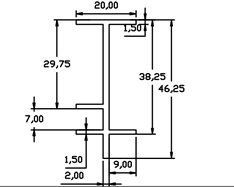
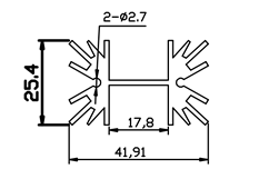
| NO. | Width(mm) | Height(mm) | Weight(kg/m) | Preview | Notes |
| WD-06451 | 46.250 | 20.000 | 0.430 | ![]() |
|
| WD-06452 | 40.000 | 10.000 | 0.378 | ![]() |
|
| WD-06453 | 41.910 | 25.400 | 0.910 | ![]() |
|
| WD-06454 | 44.000 | 13.800 | 0.434 | ![]() |
|
| WD-06455 | 48.300 | 1.800 | 0.235 | ![]() |
|
| WD-06456 | 49.710 | 26.000 | 0.406 | ![]() |
