
Air cooling, water cooling from design to production with thermal simulation service
| NO. | Width(mm) | Height(mm) | Weight(kg/m) | Preview | Notes |
| WD-06475 | 43.600 | 22.000 | 0.861 | ![]() |
|
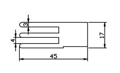
| WD-06476 | 45.000 | 17.000 | 1.460 | ![]() |
|
| WD-06477 | 41.000 | 17.000 | 0.397 | ||
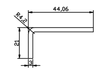
| WD-06478 | 44.060 | 21.000 | 0.495 | ![]() |
|
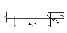
| WD-06479 | 46.710 | 8.000 | 0.411 | ![]() |
|
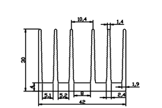
| WD-06480 | 42.000 | 30.000 | 1.113 | ![]() |
