
Air cooling, water cooling from design to production with thermal simulation service
| NO. | Width(mm) | Height(mm) | Weight(kg/m) | Preview | Notes |
| WD-06505 | 31.500 | 10.000 | 0.540 | ![]() |
|
| WD-06506 | 36.000 | 16.000 | 0.588 | ![]() |
|
| WD-06507 | 34.800 | 54.720 | 1.040 | ![]() |
|
| WD-06508 | 30.100 | 5.100 | 0.137 | ![]() |
|
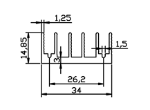
| WD-06509 | 34.000 | 14.850 | 0.529 | ![]() |
|
| WD-06510 | 30.000 | 2.000 | 0.162 | ![]() |
