
Air cooling, water cooling from design to production with thermal simulation service
| NO. | Width(mm) | Height(mm) | Weight(kg/m) | Preview | Notes |
| WD-06565 | 21.500 | 1.900 | 0.110 | ![]() |
|
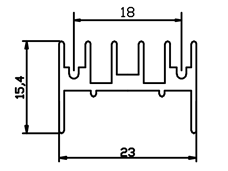
| WD-06566 | 23.000 | 15.400 | 0.268 | ![]() |
|
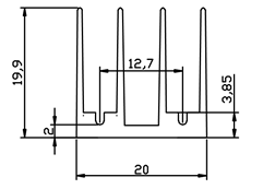
| WD-06567 | 20.000 | 19.900 | 0.324 | ![]() |
|
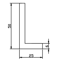
| WD-06568 | 25.000 | 50.000 | 1.120 | ![]() |
|
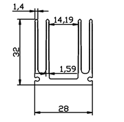
| WD-06569 | 28.000 | 32.000 | 0.677 | ![]() |
|
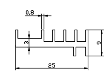
| WD-06570 | 25.000 | 9.000 | 0.218 | ![]() |
