
Air cooling, water cooling from design to production with thermal simulation service
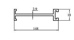
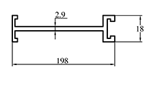
| NO. | Width(mm) | Height(mm) | Weight(kg/m) | Preview | Notes |
| WD-00847 | 140.200 | 57.800 | 7.580 | ![]() |
|
| WD-00848 | 55.000 | 18.000 | 0.860 | ![]() |
|
| WD-00849 | 198.000 | 18.000 | 1.820 | ![]() |
|
| WD-00850 | 93.000 | 27.500 | 1.660 | ![]() |
|
| WD-00851 | 148.000 | 18.000 | 1.430 | ![]() |
|
| WD-00852 | 110.000 | 25.000 | 2.310 | ![]() |
