
Air cooling, water cooling from design to production with thermal simulation service
| NO. | Width(mm) | Height(mm) | Weight(kg/m) | Preview | Notes |
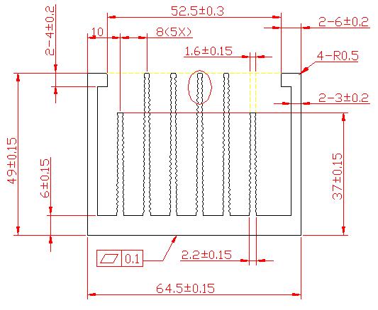
| WD-X906 | 64.5 | 49 | 2.899 | ![]() |
|
| WD-X907 | 90 | 49 | 4.911 | ![]() |
|
| WD-X908 | 103 | 53 | 4.979 | ![]() |
|
| WD-X909 | 168 | 80 | 10.355 | ![]() |
|
| WD-X910 | 160 | 93 | 10.783 | ![]() |
|
| WD-X911 | 188.2 | 83.6 | 18.401 | ![]() |
