
Air cooling, water cooling from design to production with thermal simulation service
| NO. | Width(mm) | Height(mm) | Weight(kg/m) | Preview | Notes |
| WD-X912 | 238 | 91 | 23.657 | ![]() |
|
| WD-X913 | 343.97 | 29.2 | 4.532 | ![]() |
|
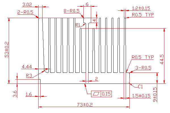
| WD-X914 | 73 | 53 | 4.454 | ![]() |
|
| WD-X915 | 90 | 8 | 1.107 | ![]() |
|
| WD-X916 | 95 | 16.2 | 4.248 | ![]() |
|
| WD-X917 | 528.5 | 22 | 31.509 | ![]() |
