
Air cooling, water cooling from design to production with thermal simulation service
| NO. | Width(mm) | Height(mm) | Weight(kg/m) | Preview | Notes |
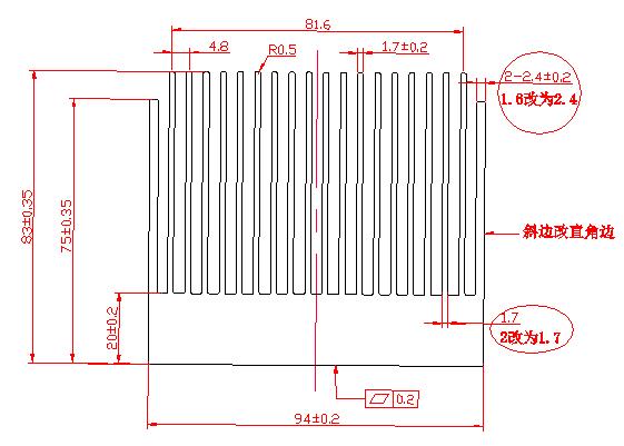
| WD-X1008 | 94 | 83 | 11.19 | ![]() |
|
| WD-X1009 | 150 | 42.3 | 7.365 | ![]() |
|
| WD-X1010 | 110 | 15.2 | 2.27 | ![]() |
|
| WD-X1011 | 580 | 99 | 40.74 | ![]() |
|
| WD-X1013 | 192 | 74.7 | 16.861 | ![]() |
|
| WD-X1014 | 243.5 | 40.3 | 11.66 | ![]() |
