
Air cooling, water cooling from design to production with thermal simulation service
| NO. | Width(mm) | Height(mm) | Weight(kg/m) | Preview | Notes |
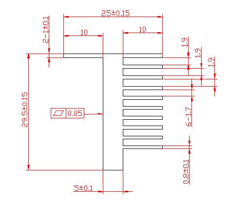
| WD-X1023 | 29.5 | 25 | 0.661 | ![]() |
|
| WD-X1024 | 160 | 79 | 13.424 | ![]() |
|
| WD-X1025 | 209 | 79.5 | 17.227 | ![]() |
|
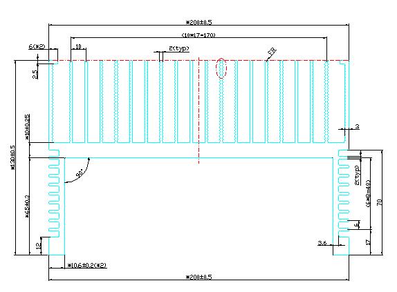
| WD-X1027 | 200 | 130 | 13.45 | ![]() |
|
| WD-X1028 | 76 | 8.3 | 1.75 | ![]() |
|
| WD-X1029 | 40 | 18 | 1.98 | ![]() |
