
Air cooling, water cooling from design to production with thermal simulation service
| NO. | Width(mm) | Height(mm) | Weight(kg/m) | Preview | Notes |
| WD-X1083 | 312.6 | 96.5 | 18.706 | ![]() |
|
| WD-X1084 | 387.4 | 96.5 | 22.799 | ![]() |
|
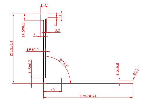
| WD-X1085 | 195.7 | 151.5 | 6.24 | ![]() |
|
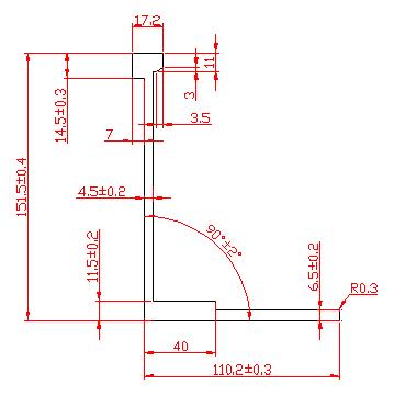
| WD-X1086 | 110.2 | 151.5 | 4.706 | ![]() |
|
| WD-X1087 | 15.5 | 145 | 2.203 | ![]() |
|
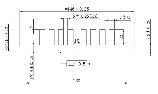
| WD-X1088 | 146 | 34.5 | 10.333 | ![]() |
