
Air cooling, water cooling from design to production with thermal simulation service
| NO. | Width(mm) | Height(mm) | Weight(kg/m) | Preview | Notes |
| WD-X1089 | 107.5 | 63 | 7.615 | ![]() |
|
| WD-X1090 | 27 | 14 | 0.444 | ![]() |
|
| WD-X1091 | 271 | 28 | 20.88 | ![]() |
|
| WD-X1092 | 371 | 28 | 28.57 | ![]() |
|
| WD-X1093 | 138 | 8 | 3.03 | ![]() |
|
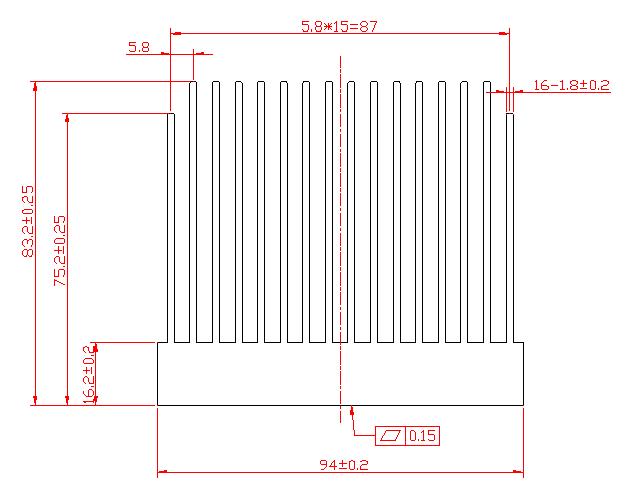
| WD-X1094 | 94 | 83.2 | 9.447 | ![]() |
