
Air cooling, water cooling from design to production with thermal simulation service
| NO. | Width(mm) | Height(mm) | Weight(kg/m) | Preview | Notes |
| WD-X1152 | 85 | 25 | 2.69 | ![]() |
|
| WD-X1153 | 33 | 35 | 1.14 | ![]() |
|
| WD-X1154 | 136 | 25 | 4.51 | ![]() |
|
| WD-X1155 | 30.9 | 8 | 0.278 | ![]() |
|
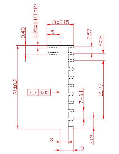
| WD-X1156 | 31 | 10 | 0.356 | ![]() |
|
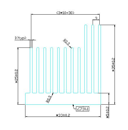
| WD-X1157 | 31 | 10 | 0.333 | ![]() |
