
Air cooling, water cooling from design to production with thermal simulation service
| NO. | Width(mm) | Height(mm) | Weight(kg/m) | Preview | Notes |
| WD-X1182 | 100 | 25 | 4.05 | ![]() |
|
| WD-X1183 | 190 | 8.2 | 4.28 | ![]() |
|
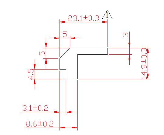
| WD-X1184 | 23.1 | 14.9 | 0.401 | ![]() |
|
| WD-X1185 | 65 | 5 | 0.89 | ![]() |
|
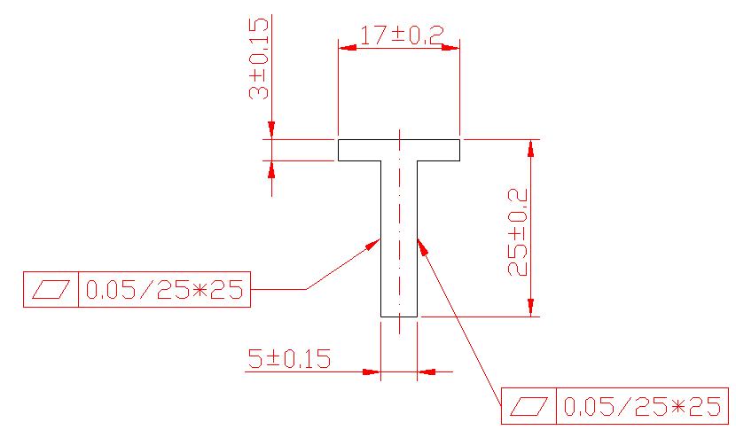
| WD-X1187 | 25 | 25 | 0.511 | ![]() |
|
| WD-X1188 | 17 | 25 | 0.444 | ![]() |
