
Air cooling, water cooling from design to production with thermal simulation service
| NO. | Width(mm) | Height(mm) | Weight(kg/m) | Preview | Notes |
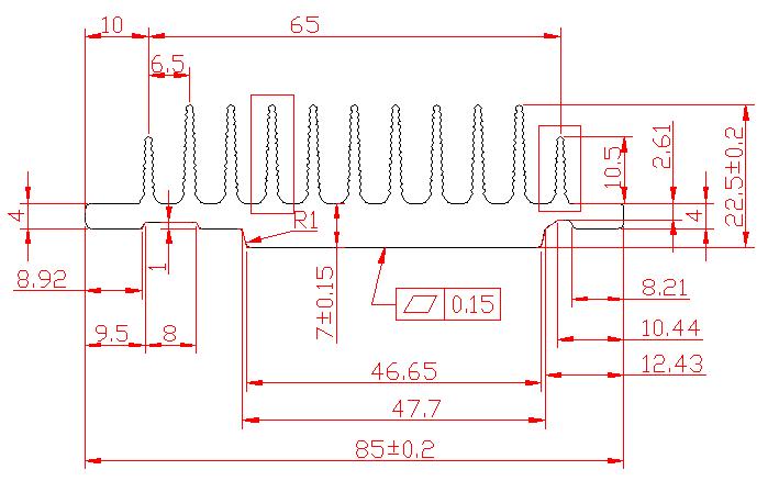
| WD-X1207 | 85 | 22.5 | 1.978 | ![]() |
|
| WD-X1208 | 325 | 80 | 31.603 | ![]() |
|
| WD-X1209 | 347 | 61 | 18.4 | ![]() |
|
| WD-X1210 | 355 | 40 | 14.163 | ![]() |
|
| WD-X1211 | 121.34 | 13.81 | 1.718 | ![]() |
|
| WD-X1212 | 160 | 60 | 8.25 | ![]() |
