
Air cooling, water cooling from design to production with thermal simulation service
| NO. | Width(mm) | Height(mm) | Weight(kg/m) | Preview | Notes |
| WD-X1213 | 209 | 99 | 22.333 | ![]() |
|
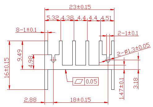
| WD-X1214 | 23 | 16 | 0.314 | ![]() |
|
| WD-X1215 | 72 | 60.9 | 5.763 | ![]() |
|
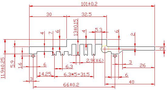
| WD-X1216 | 101 | 13.1 | 1.561 | ![]() |
|
| WD-X1217 | 208 | 6 | 3.444 | ![]() |
|
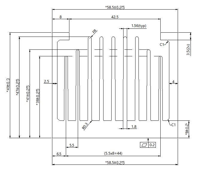
| WD-X1218 | 58.5 | 49 | 3.606 | ![]() |
