
Air cooling, water cooling from design to production with thermal simulation service
| NO. | Width(mm) | Height(mm) | Weight(kg/m) | Preview | Notes |
| WD-X1319 | 140 | 28 | 2.89 | ![]() |
|
| WD-X1320 | 106 | 56 | 5.41 | ![]() |
|
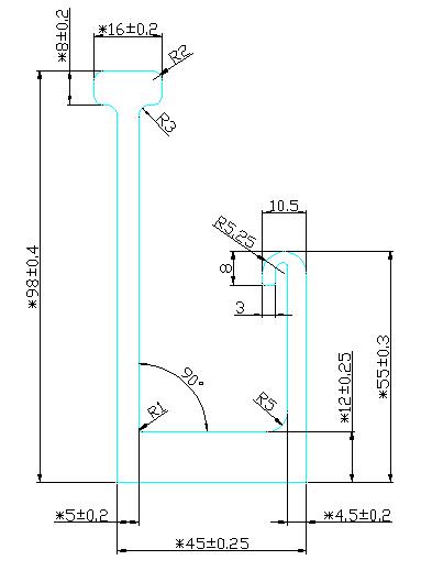
| WD-X1321 | 45 | 98 | 3.51 | ![]() |
|
| WD-X1322 | 210 | 80 | 18.75 | ![]() |
|
| WD-X1323 | 152.4 | 12.7 | 5.245 | ![]() |
|
| WD-X1324 | 196 | 25 | 13.279 | ![]() |
