
Air cooling, water cooling from design to production with thermal simulation service
| NO. | Width(mm) | Height(mm) | Weight(kg/m) | Preview | Notes |
| WD-X1350 | 153.4 | 44.7 | 7.01 | ![]() |
|
| WD-X1351 | 175 | 30 | 14.45 | ![]() |
|
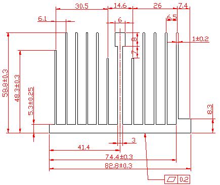
| WD-X1352 | 82.8 | 58.8 | 3.293 | ![]() |
|
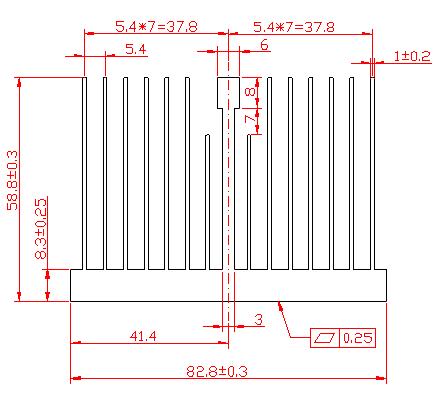
| WD-X1353 | 82.8 | 58.8 | 4.248 | ![]() |
|
| WD-X1354 | 82.8 | 48.8 | 3.14 | ![]() |
|
| WD-X1355 | 170.8 | 66 | 11.45 | ![]() |
