
Air cooling, water cooling from design to production with thermal simulation service
| NO. | Width(mm) | Height(mm) | Weight(kg/m) | Preview | Notes |
| WD-X1356 | 132 | 66.3 | 9.154 | ![]() |
|
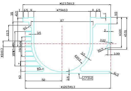
| WD-X1357 | 120.5 | 79.5 | 4.39 | ![]() |
|
| WD-X1358 | 11.5 | 13 | 0.315 | ![]() |
|
| WD-X1359 | 668 | 95.5 | 37.88 | ![]() |
|
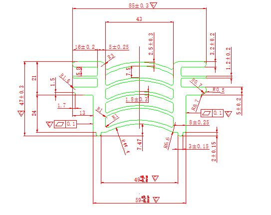
| WD-X1360 | 85 | 47 | 4.9845 | ![]() |
|
| WD-X1361 | 85 | 66 | 3.7068 | ![]() |
