
Air cooling, water cooling from design to production with thermal simulation service
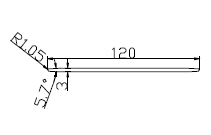
| NO. | Width(mm) | Height(mm) | Weight(kg/m) | Preview | Notes |
| WD-01159 | 45.000 | 3.000 | 0.335 | ![]() |
|
| WD-01160 | 55.000 | 3.000 | 0.416 | ![]() |
|
| WD-01161 | 70.000 | 3.000 | 0.537 | ![]() |
|
| WD-01162 | 85.000 | 3.000 | 0.659 | ![]() |
|
| WD-01163 | 120.000 | 3.000 | 0.942 | ![]() |
|
| WD-01164 | 140.000 | 3.000 | 1.104 | ![]() |
