
Air cooling, water cooling from design to production with thermal simulation service
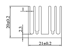
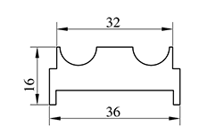
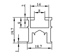
| NO. | Width(mm) | Height(mm) | Weight(kg/m) | Preview | Notes |
| WD-01207 | 36.000 | 16.000 | 0.930 | ![]() |
|
| WD-01208 | 46.000 | 6.560 | 0.114 | ![]() |
|
| WD-01209 | 44.000 | 11.500 | 0.772 | ![]() |
|
| WD-01210 | 48.900 | 39.800 | 0.417 | ![]() |
|
| WD-01211 | 18.700 | 19.700 | 0.388 | ![]() |
|
| WD-01212 | 21.000 | 20.000 | 0.500 | ![]() |
